基于TI AM62X/AM64X+FPGA+AD7606/ADS8568多通道AD采集的电力应用
基于TI AM62X/AM64X+FPGA+AD7606/ADS8568多 通道 AD采集的电力应用
● 类似于异步SRAM内存和专用ASIC设备。
●异步,同步,和页面模式(仅适用于非复用模式)突发NOR闪存设备。
● NAND闪存。
● ADC器件。

图 1GPMC概述
2GPMC并口特点
为什么工业领域在与FPGA/ADC通信的时候,更喜欢使用GPMC接口呢?本文给出3个理由,那就是:高带宽、连接模式丰富、配置灵活。具体如下:
PS:下文将介绍基于AM570x GPMC的ARM+ FPGA通信案例、多通道AD(AD7606/ADS8568)采集综合案例。
(1)高带宽,速率可达100MB/s以上
以AM57x为例,通过GPMC接口与FPGA连接,采用DMA的方式读取FPGA端的数据,速度可达69MB/s,实际上通过配置GPMC接口的时序和不同工作模式,速率可超过100MB/s。
(2)连接模式丰富,灵活的8位和16位异步存储器接口
由于有gpmc_ad[15:0] 16个引脚可支持地址线与数据线复用和非复用模式,这让GPMC与外设的连接模式变得很丰富,可以和宽范围的外部设备通信,如:
●外部异步或同步8-bit位宽内存或设备(非突发设备)
●外部异步或同步16-bit位宽内存或设备
●外部16-bit非复用NOR Flash设备
●外部16-bit地址和数据复用NOR Flash设备
●外部8-bit和16-bitNAND Flash设备
●外部16-bit伪SRAM(pSRAM)设备
下面介绍几种连接模式。
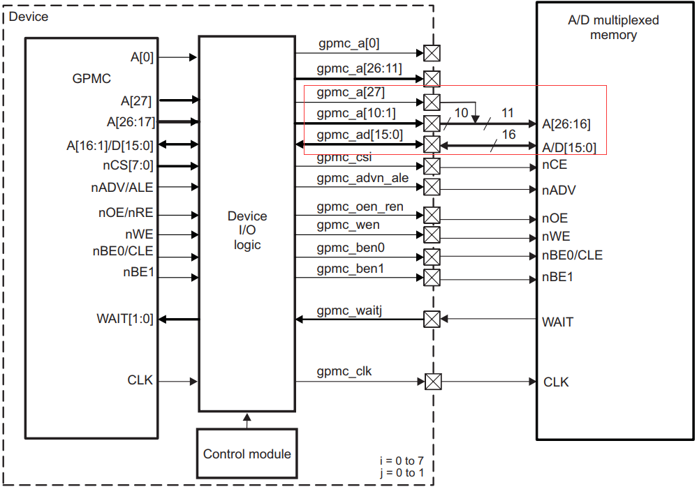
1)16-bit Address /Data Multiplexed(地址线与数据线复用模式)

图 2
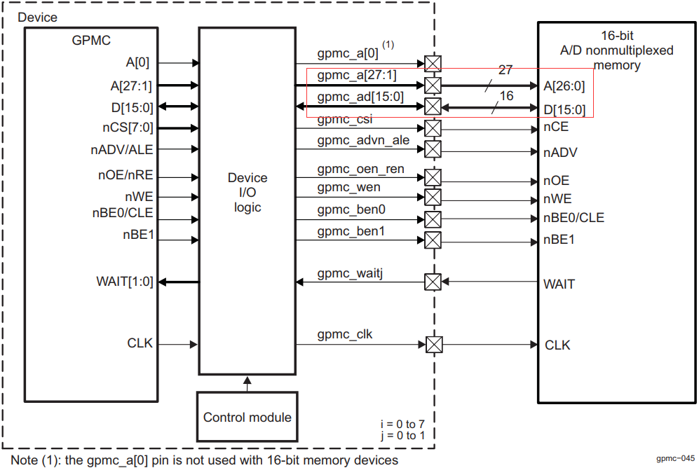
2)16-bit Nonmultiplexed(地址线与数据线非复用模式)

图 3
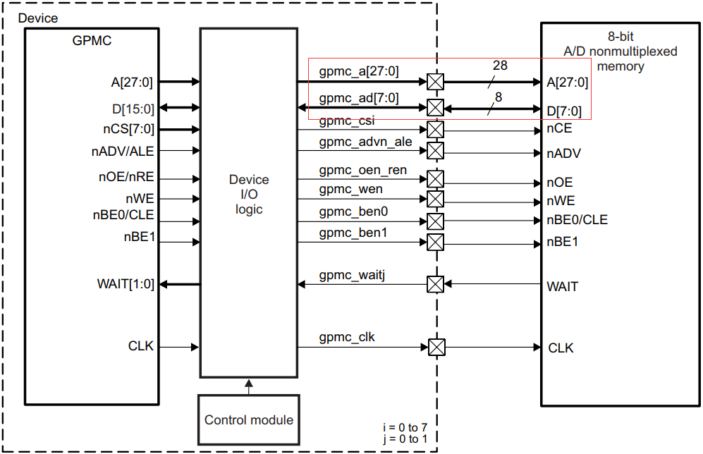
3)8-bit Nonmultiplexed(地址线与数据线非复用模式)

图 4
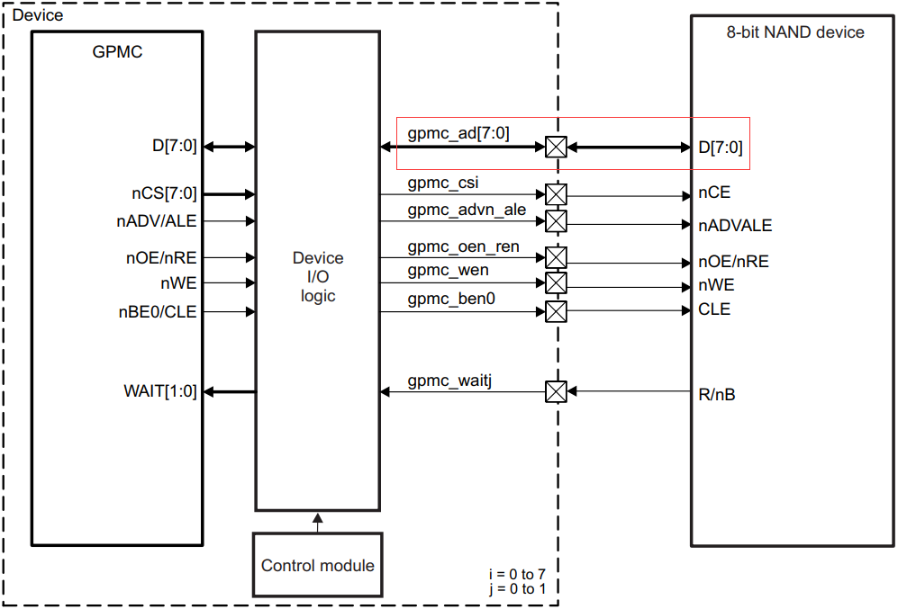
4)8-bitNAND(仅使用数据线模式)
此模式适用于无需地址线的场合,例如GPMC与NAND FLASH连接。NAND FLASH无需地址线,通过数据线D[x:0]发送读写命令,进行数据读取/写入。

图 5
(3)配置灵活,具有多达8个片选
GPMC基本编程模型提供了最大的灵活性,以支持八个可配置片选中不同的时序参数和位宽配置。可根据外部设备的特点,使用最佳的片选设置。
●可选择不同的协议,以支持通用异步或同步随机访问设备(NOR闪存,SRAM)或支持特定的NAND器件。
●地址和数据总线可在同一个外部总线上复用。
●读和写访问可独立定义为异步或同步。
● 系统 请求(字节,16位字,突发)是通过单次或多次访问进行。外部设备访问配置文件(单或多个优化的突发长度,本地包或仿真包)是基于外部设备特性(支持协议,总线宽度,数据缓冲区大小,本地包支持)。
●系统突发读或写请求是同步突发(多个读,或多个写)。在没有突发或页面模式时是由外部存储器或ASIC设备支持,系统突发读或写请求转换为连续单一的同步或异步访问(单一读,或单一写)。仅在单一同步或 单一异步读或写模式下支持8位宽的设备。
为了模拟一个可编程的内部等待状态,一个外部等待引脚可被监控,以在开始(初始访问时间)和突发访问期间动态的控制外部访问。

图 6GPMC框图