Back to Blog

轨道交通3U机箱CPCI电机控制板(DSP),主要运行控制算法以对牵引电机进行精准的运动控制

#fpga开发

01.jpg

板卡简介:

本板为电机控制板(DSP),主要运行控制算法以对牵引电机进行精准的运动控制。

性能规格:

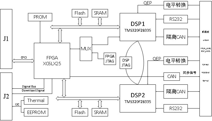
电源:DC5V,DC3.3V

DSP:TMS320F28335 x 2

FPGA:XC6SLX25-2FG484I

存储:PROM 16MB(FPGA)

      SRAM 4Gb x 2(DSP和FPGA共享)

FLASH 8Gb x 2(DSP和FPGA共享)

通信接口(面板侧):隔离CANx2;CAN x 1;RS232x2

通信接口(背板侧): CPCI 总线

频率 检测 :6路(幅值范围0~15V)  

模拟电流采集:8路(默认ICAP0:DC0~63mA,ICAP1~7:±450mA,可以通过微调电路进行采样范围修改。

对外供电:8路±24V

尺寸:220mm*100mm*1.6mm

重量:0.160kg

工作温度:-25℃~70℃

功能框图:

02.jpg